鳥羽水族館飼育設備情報ページ鳥羽水族館飼育設備情報ページ
社外にシェア等しないでください
ホーム
x:フロー図

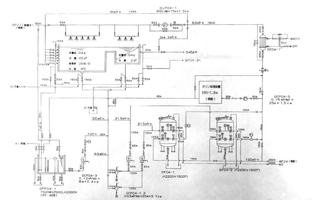
G4abバイカルアザラシ

x:フロー図
2025.10.29

x:フロー図
上岡

機器トラブル対応



機器トラブル(警報発報など)が発生した場合は、まず中央監視でトラブルの発生した機器名称を確認してください。 その後、本ページで該当機器を調べ、その設置区画・場所を把握し、まずは現場確認をしてください。 機器トラブルの状況を把握したら、飼育研究部内で共有をするとともに、対応が難しいと判断した場合は設備チームに現場から電話連絡してください。

ページ内検索

カテゴリ

  • 01:全棟区画6
  • 02:A棟区画2
  • 03:BCE棟区画8
  • 04:DF棟区画10
  • 05:GHI棟区画5
  • 06:PLAZA棟区画1
  • 07:デッキ区画1
  • a:ポンプ14
  • b:濾過槽5
  • c:貯水槽12
  • d:給気装置3
  • e:熱源機器6
  • f:空調機器3
  • g:電気設備2
  • h:給水設備2
  • w:WEB関連20
  • x:フロー図52
  • 機器概論19

機器操作時の作業原則



季節ごとの機器運用切り替えや、日常的には行わない機器操作をする時は原則として2名以上で実施して、やり忘れやミスを防いでください。また、このような作業は原則として午前中に行ってください。

本ページの取り扱い



本ページは鳥羽水族館社員の日常業務の補助になることを目的に、製作され公開されています。このため、トラブル現場でスマホでも見られるよう、公開ページになっています。検索インデックスされない処置はしてありますが、URLさえ知っていれば外部の方も見ることが可能です。SNSシェアなどは厳に慎んでください。
鳥羽水族館飼育設備情報ページ
© 2025 鳥羽水族館飼育設備情報ページ.
  • ホーム
  • トップ